无锡威纳普自控设备有限公司

全国咨询热线: 0510 - 8541 5590
专注智慧设施控制领域十多年
威纳普自控为建筑设施数字化控制和
信息数据交互提供国际水平的整体解决方案
提供有价值的思路和模式,帮助客户创新创值

房间温度传感器

    产品概述

    · 有源传感器,获取房间温度
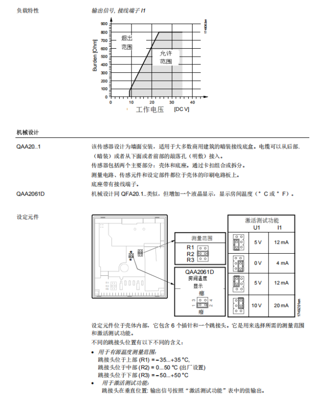
    · 工作电压 AC 24 V 或 DC 13.5…35 V
    · 输出信号 DC 0...10 V 或 4...20 mA
    用途
    加热、通风和空调应用中获得房间房间温度。