无锡威纳普自控设备有限公司

全国咨询热线: 0510 - 8541 5590
专注智慧设施控制领域十多年
威纳普自控为建筑设施数字化控制和
信息数据交互提供国际水平的整体解决方案
提供有价值的思路和模式,帮助客户创新创值

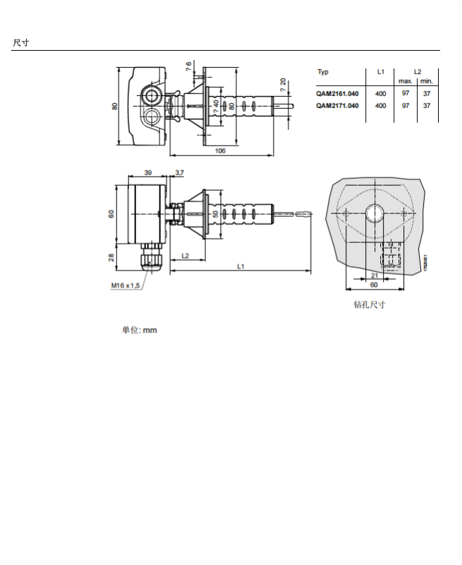
风管式温度传感器

    产品概述

    · 有源传感器,获取风管内空气温度
    · 工作电压 AC 24 V 或 DC 13.5...35 V
    · 输出信号 DC 0...10 V 或 4...20 mA
    用途
    · 送风或排风温度传感器
    ·限定传感器,例如最低送风温度的设定
    ·参考传感器,例如房间温度补偿,随室外温度变化而按一定函数关系转换
    · 露点温度传感器
    ·测量传感器,例如用于测量值的显示或者配套楼宇自控系统使用