无锡威纳普自控设备有限公司

全国咨询热线: 0510 - 8541 5590
专注智慧设施控制领域十多年
威纳普自控为建筑设施数字化控制和
信息数据交互提供国际水平的整体解决方案
提供有价值的思路和模式,帮助客户创新创值

风管式传感器

    产品概述

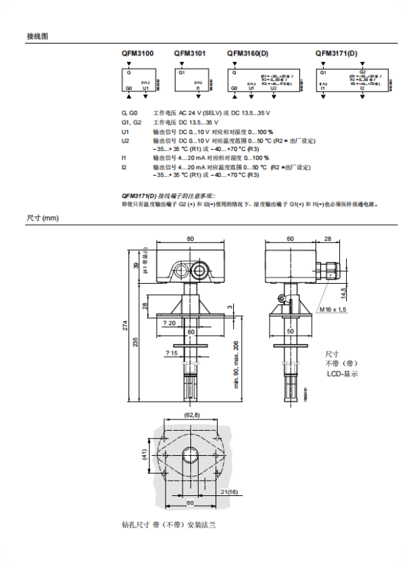
    · 工作电压 AC 24 V / DC 13.5...35 V
    · 相对湿度和温度的输出信号 DC 0...10 V / 4…20 mA
    · 整个测量范围内的高精度
    · 具有测试功能
    · 电容式的湿度测量
    · 测量范围 -40…+70 °C / 0…100 % r. h.带 LCD 显示 -25…+70 °C / 0…100 % r. h.
    用途
    · 造纸业、纺织业、制药业、食品业、化学和电子工业等用于储藏和生产的设施中
    · 实验室
    · 医院
    · 室内游泳池
    · 计算机和电子数据处理中心
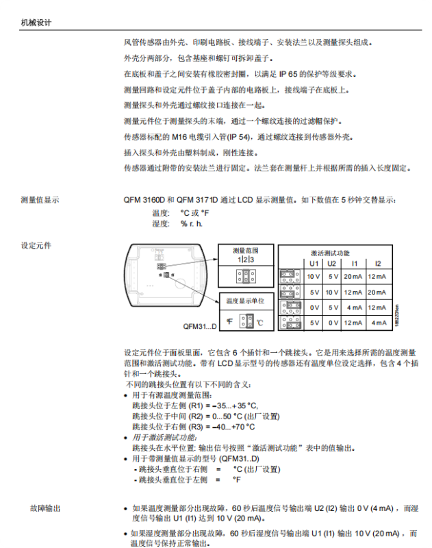
    · 温室