无锡威纳普自控设备有限公司

全国咨询热线: 0510 - 8541 5590
专注智慧设施控制领域十多年
威纳普自控为建筑设施数字化控制和
信息数据交互提供国际水平的整体解决方案
提供有价值的思路和模式,帮助客户创新创值

蝶阀 PN 16

    产品概述

    • 球墨铸铁阀体
    • DN 50...600
    • kvs 70...37,000 m3 /h
    • 适用于符合 ISO 7005 的 PN 16 配对法兰
    • 密封性符合 ISO 5208,泄漏等级为 A 级
    • 无需维护
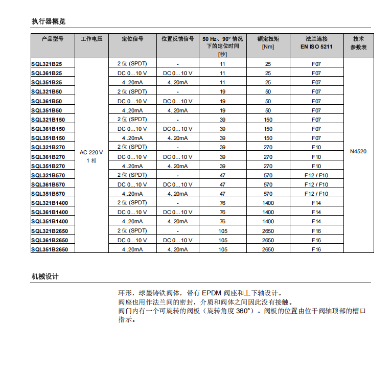
    • 可以配备 SQL321B..,SQL361B.. 或 SQL351B.. 电动执行器
    用途
    用于在暖通空调系统中作为电动阀或截止阀使用。
    • 用于开式和闭式系统中
    • 用于两位 (SPDT) ,DC 0…10 V 控制信号(由 SQL361B..驱动)或 4..20mA控制信号(由 SQL351B..驱动)
    • 用于制冷机和冷却塔顺序控制

    • 换热器或整个换热站水流的通断控制