无锡威纳普自控设备有限公司

全国咨询热线: 0510 - 8541 5590
专注智慧设施控制领域十多年
威纳普自控为建筑设施数字化控制和
信息数据交互提供国际水平的整体解决方案
提供有价值的思路和模式,帮助客户创新创值

PXC4.E16

    HVAC 主要设备控制
    ● PXC4 系列标准楼宇控制器用于 HVAC 和楼宇控制系统, 图形化编程界面
    ● BACnet/IP 通信(BTL 认证)
    ● 2 个以太网端口,内置以太网交换功能,降低布线成本
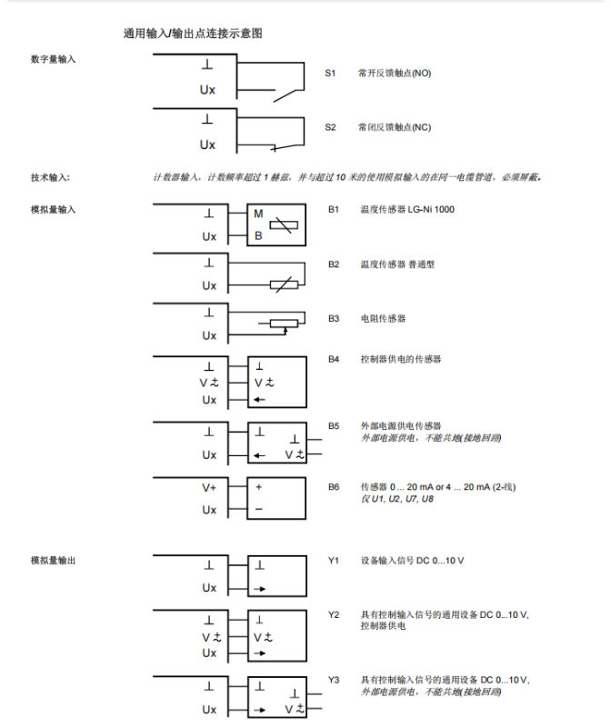
    ● 16 路输入/输出: 12 路通用输入/输出, 4 路继电器输出,通过 I/O 模块 TXM…可扩展至 40 个输入/输出
    ●可通过 Modbus RTU 或 Modbus TCP 集成 Modbus 数据点
    ●用于工程和调试的 WLAN 接口
    ●工作电压 AC 24 V
    ●标准 DIN 轨道安装或壁挂式安装

    ●插拔式接线端子

    功能

    用于 HVAC 和楼宇控制系统的 PXC4 系列标准楼宇控制器。
    ●系统功能 (报警, 时间表, 趋势数据,可单独定义的用户配置文件和类别的访问保护)
    ●自由编程 (符合 CEN 标准 11312),通过图形连接所有有效功能块和库。
    ●使用 ABT Site 图形调试工具进行工程和调试。
    ●通过 BTL 测试认证, 符合 BACnet 标准中的 B-BC (Rev. 1.15)
    ●通过嵌入的基于 web 的接口, 使用通用对象查看器查看设备数据点
    ●可用于工程和设备调试的 WLAN 连接
    ●支持云端连接和访问
    ●通过 Modbus RTU 和/或 Modbus TCP 集成 Modbus 数据点

    ●直接连接现场设备