无锡威纳普自控设备有限公司

全国咨询热线: 0510 - 8541 5590
专注智慧设施控制领域十多年
威纳普自控为建筑设施数字化控制和
信息数据交互提供国际水平的整体解决方案
提供有价值的思路和模式,帮助客户创新创值

NSA7000联网型传感器

    产品概述
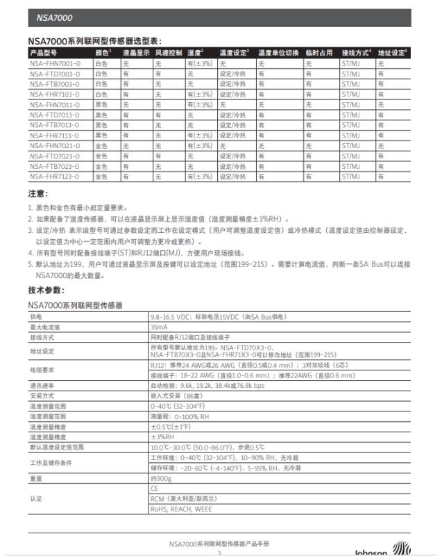
    常用型号:NSA-FHN7001-0、NSA-FTD7003-0、NSA-FTB7003-0、NSA-FHR7103-0、NSA-FHN7011-0、NSA-FTD7013-0、NSA-FTB7013-0、NSA-FHR7113-0、NSA-FHN7021-0、NSA-FTD7023-0、NSA-FTB7023-0、NSA-FHR7123-0
    温度范围:0~40℃
    输出信号:网络
    相关产品:TE-6300温度传感器、TMx1600带LCD的房间温度传感器、A99温度传感器

    详细参数