无锡威纳普自控设备有限公司

全国咨询热线: 0510 - 8541 5590
专注智慧设施控制领域十多年
威纳普自控为建筑设施数字化控制和
信息数据交互提供国际水平的整体解决方案
提供有价值的思路和模式,帮助客户创新创值

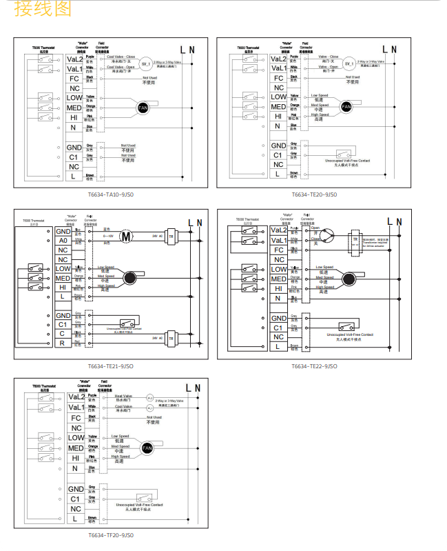
T6000液晶风机盘管温控器

    产品概述
    常用型号:T6634-TE20-9JS0、T6634-TE21-9JR0、T6634-TE21-9JS0
    温度范围:5~30℃
    相关产品:T7200液晶温控器、T8000触摸屏风机盘管温控器、T5000液晶风机盘管温控器、T125电子式风机盘管温控器

    详细参数